首页
政务公开
登录平台
公众互动
东莞市工业和信息化局
政府端入口
智能问答
网站无障碍
适老版
首页
>
政务公开
>
最新公开
分享到:
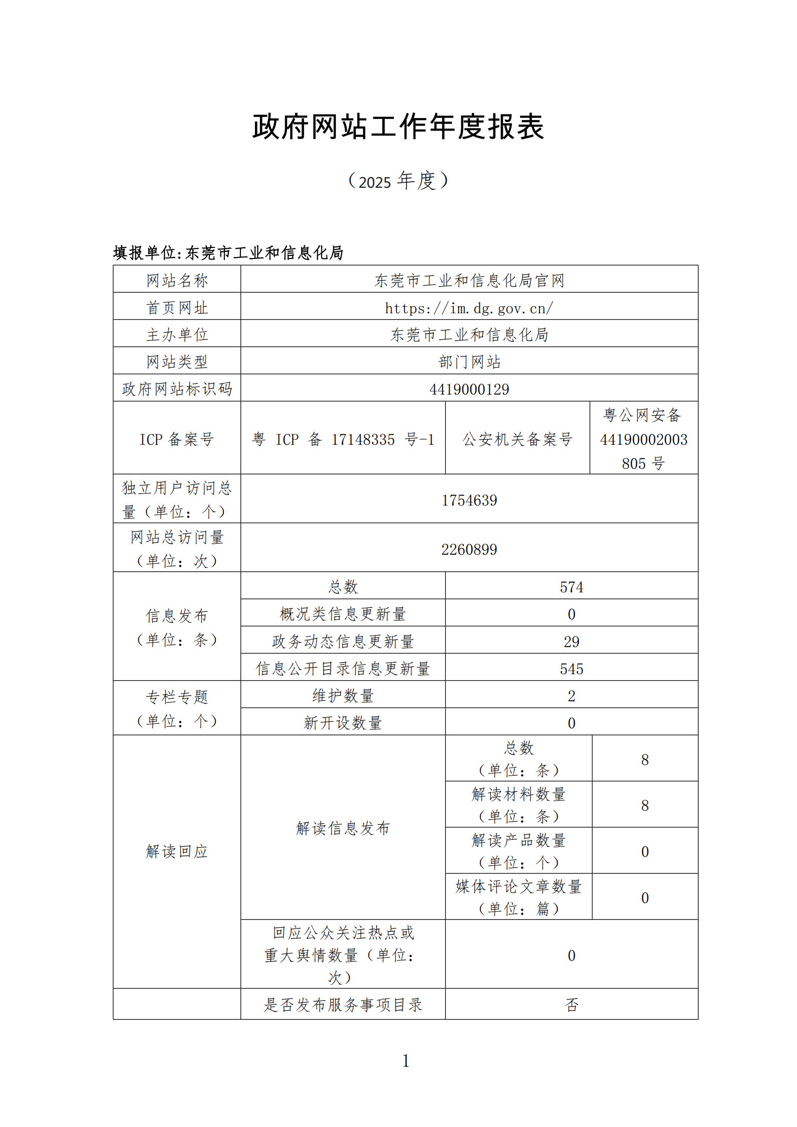
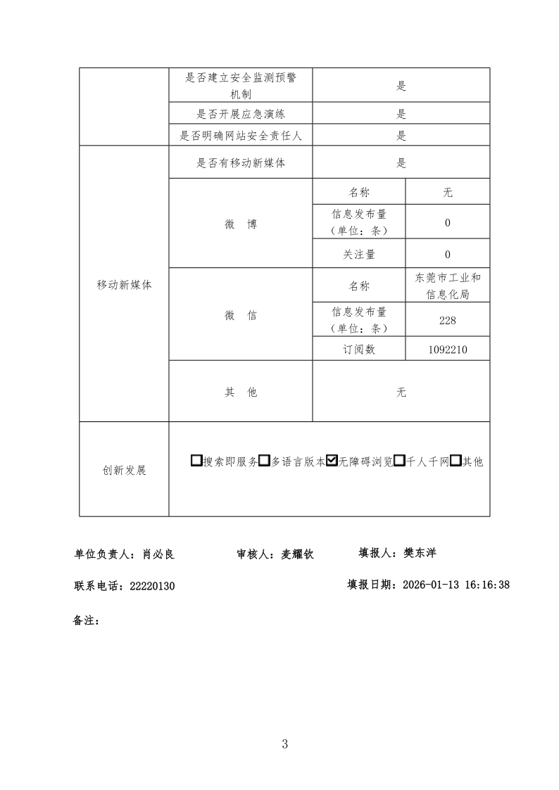
政府网站工作年度报表(2025年度)
来源:
本网
2026-01-15 15:47:13
字体:
大
中
小
扫一扫在手机打开当前页
【top】
【打印页面】
【关闭页面】